3-КУЛАЧКОВЫЕ САМОЦЕНТРИРУЮЩИЕСЯ ПАТРОНЫ ПРЯМОГО МОНТАЖА СЕРИИ K11
РУЧНЫЕ ПАТРОНЫ
3-КУЛАЧКОВЫЕ САМОЦЕНТРИРУЮЩИЕСЯ ПАТРОНЫ ПРЯМОГО МОНТАЖА СЕРИИ K11
Нажмите на изображение для увеличения продукта
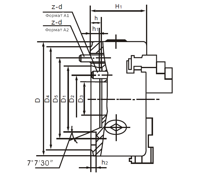
Форма А1
|
Серия |
D | D1 | D2 | D3 | D4 | D5 | H1 | h | h1 | h2 | d1 | z-d |
Вес кг |
|---|---|---|---|---|---|---|---|---|---|---|---|---|---|
|
K11200 /A1-5
K11200C/A1-5
K11200A/A1-5
|
200 | 82.563 | 61.9 | 40 | 133 | 104.8 | 84 | 14.288 | 12 | 6.5 | 16.3 | 3-M10 | 17 |
|
K11250 /A1-6
K11250C/A1-6
K11250A/A1-6
|
250 | 106.375 | 82.6 | 55 | 165 | 133.4 | 93 | 15.875 | 13 | 6.5 | 19.5 | 6-M12 | 31 |
|
K11325 /A1-6
K11325C/A1-6
K11325A/A1-6
|
325 | 106.375 | 82.6 | 55 | 165 | 133.4 | 106 | 15.875 | 13 | 6.5 | 19.5 | 6-M12 | 52 |
|
K11325 /A1-8
K11325C/A1-8
K11325A/A1-8
|
325 | 139.719 | 111.1 | 78 | 210 | 171.4 | 106 | 17.462 | 14 | 8 | 24.2 | 6-M16 | 53 |
|
K11380 /A1-8
K11380C/A1-8
K11380A/A1-8
|
380 | 139.719 | 111.1 | 78 | 210 | 171.4 | 118 | 17.462 | 14 | 8 | 24.2 | 6-M16 | 81 |
| K11500A/A1-11 | 500 | 196.869 | 165.1 | 125 | 280 | 235 | 135 | 19.050 | 16 | 10 | 29.4 | 6-M20 | 159 |
| K11500A/A1-15 | 500 | 285.775 | 247.6 | 200 | 380 | 330.2 | 135 | 20.638 | 17 | 10 | 35.7 | 6-M22 | 159 |
Форма А2
|
Серия |
D | D1 | D3 | D4 | D5 | H1 | h | h1 | h2 | d1 | z-d |
Вес кг |
|---|---|---|---|---|---|---|---|---|---|---|---|---|
|
K11200 /A2-4
K11200C/A2-4
K11200A/A2 -4
|
200 | 63.513 | 60 | 108 | 86 | 82.6 | - | 10 | 6.5 | 14.7 | 3-M10 | 17 |
| K11500A/A2-11 | 500 | 196.869 | 190 | 280 | 135 | 235 | 20 | 16 | 10 | 29.4 | 6-M20 | 159 |