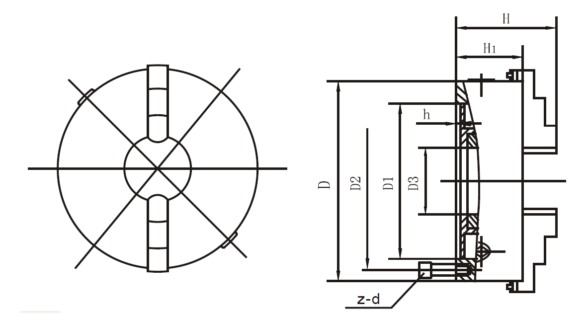
2-КУЛАЧКОВЫЕ САМОЦЕНТРИРУЮЩИЕСЯ ПАТРОНЫ СЕРИИ K10
РУЧНЫЕ ПАТРОНЫ
2-КУЛАЧКОВЫЕ САМОЦЕНТРИРУЮЩИЕСЯ ПАТРОНЫ СЕРИИ K10
Нажмите на изображение для увеличения продукта