ЧЕТЫРЕХ-КУЛАЧКОВЫЕ ПАТРОНЫ С НЕЗАВИСИМЫМ ПЕРЕМЕЩЕНИЕМ СЕРИИ SC72
РУЧНЫЕ ПАТРОНЫ
ЧЕТЫРЕХ-КУЛАЧКОВЫЕ ПАТРОНЫ С НЕЗАВИСИМЫМ ПЕРЕМЕЩЕНИЕМ СЕРИИ SC72
Нажмите на изображение для увеличения продукта
Бренд:RightWay
Доступен и другой тип крепления с короткой конусностью, например A / C / D.
Стандартные принадлежности:
1 Комплект твердых твердых кулачков
1 предохранительный ключ
1 комплект крепежных винтов
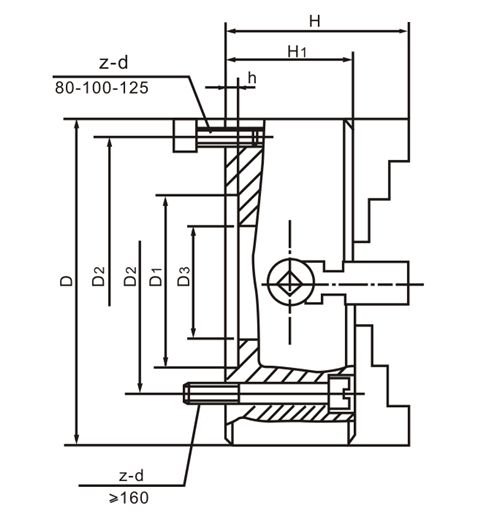
Единица измерения:мм
| Модель |
Размер патрона мм |
Размер D дюймов |
D1 | D2 | D3 | H | H1 | h | z-d |
|---|---|---|---|---|---|---|---|---|---|
| SC72-80 | 80 | 3 | 55 | 66 | 22 | 58 | 42 | 3.5 | 4-M6 |
| SC72-100 | 100 | 4 | 72 | 84 | 25 | 77 | 54 | 4 | 4-M8 |
| SC72-125 | 125 | 5 | 95 | 108 | 30 | 78 | 56 | 4.5 | 4-M8 |
| SC72-160 | 160 | 6 | 65 | 95 | 45 | 96.5 | 65 | 5 | 4-M10 |
| SC72-160A | 160 | 6 | 53 | 71 | 45 | 96.5 | 65 | 5 | 4-M10 |
| SC72-160T | 160 | 6 | 130 | 145 | 40 | 96.5 | 65 | 5 | 4-M10 |
| SC72-200 | 200 | 8 | 125 | 104.8 | 50 | 110 | 75 | 6 | 4-M10 |
| SC72-200A | 200 | 8 | 75 | 95 | 56 | 110 | 75 | 6 | 4-M10 |
| SC72-250 | 250 | 10 | 100 | 120 | 65 | 117.5 | 82 | 6 | 4-M12 |
| SC72-250A | 250 | 10 | 110 | 130 | 75 | 115.5 | 80 | 6 | 4-M12 |
| SC72-300 | 300 | 12 | 152 | 130 | 75 | 128.5 | 85 | 6 | 4-M12 |
| SC72-315 | 315 | 12 | 140 | 165 | 95 | 134 | 90 | 6 | 4-M16 |
| SC72-320 | 320 | 13 | 140 | 165 | 95 | 134 | 90 | 6 | 4-M16 |
| SC72-350 | 350 | 14 | 130 | 168 | 80 | 145 | 95 | 8 | 4-M16 |
| SC72-400 | 400 | 16 | 160 | 185 | 125 | 143 | 95 | 8 | 4-M16 |
| SC72-450 | 450 | 18 | 180 | 205 | 140 | 147 | 100 | 8 | 4-M16 |
| SC72-500 | 500 | 20 | 200 | 236 | 160 | 161 | 106 | 8 | 4-M20 |
| SC72-630 | 630 | 25 | 220 | 258 | 180 | 180 | 115 | 10 | 4-M20 |
| SC72-800 | 800 | 32 | 250 | 300 | 210 | 210 | 135 | 12 | 8-M20 |
| SC72-1000 | 1000 | 40 | 320 | 370 | 260 | 241 | 150 | 15 | 8-M20 |
| SC72-1000A | 1000 | 40 | 280 | 330 | 280 | 241 | 150 | 75 | 8-M20 |
| SC72-1250 | 1250 | 50 | 400 | 500 | 305 | 256 | 165 | 15 | 8-M20 |
| SC72-1400 | 1400 | 55 | 400 | 500 | 305 | 246 | 155 | 15 | 8-M20 |
| SC72-1600 | 1600 | 63 | 420 | 520 | 320 | 266 | 175 | 18 | 8-M24 |
| SC72-2000 | 2000 | 80 | 450 | 560 | 350 | 290 | 190 | 20 | 8-M30 |