Бренд:RightWay
Преимущества:
1) Стандартный материал кулачков - Сталь 45.
2) Высокоточный шаг зубьев для правильного позиционирования в направляющих патрона.
3) Применимо к соответствующим моделям патронов SMW / Kitagawa / Soul / Howa / Samchully / Auto-strong / Tonfou / Chandox / Autogrip / и других брендов.
4) Приспособлены для переточки и подгонки.
|
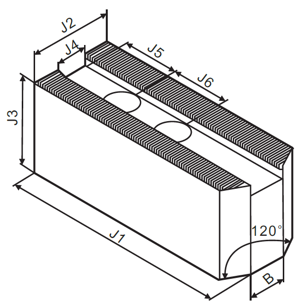
Модель |
J1 |
J2 |
J3 |
J4 |
J5 |
J6 |
B |
Винт |
Масса (кг) |
|---|---|---|---|---|---|---|---|---|---|
|
SC12H60 |
129 |
50 |
60 |
21/18 |
39 |
30 |
23/20 |
M14 |
7.8 |
|
SC12H70 |
129 |
50 |
70 |
21/18 |
39 |
30 |
23/20 |
M14 |
9.1 |
|
SC12H80 |
129 |
50 |
80 |
21/18 |
39 |
30 |
23/20 |
M14 |
10.5 |
|
SC12H90 |
129 |
50 |
90 |
21/18 |
39 |
30 |
23/20 |
M14 |
11.6 |
|
SC12H100 |
129 |
50 |
100 |
21/18 |
39 |
30 |
23/20 |
M14 |
12.9 |
|
SC12H110 |
129 |
50 |
110 |
21/18 |
39 |
30 |
23/20 |
M14 |
14.2 |
|
SC12H120 |
129 |
50 |
120 |
21/18 |
39 |
30 |
23/20 |
M14 |
15.6 |
|
SC12H130 |
129 |
50 |
130 |
21/18 |
39 |
30 |
23/20 |
M14 |
17.0 |