ОДНОШТОКОВЫЙ ПОРШЕНЬ СО СКВОЗНЫМ ОТВЕРСТИЕМ RQ
ГИДРОЦИЛИНДРЫ ДЛЯ ПАТРОНОВ
ОДНОШТОКОВЫЙ ПОРШЕНЬ СО СКВОЗНЫМ ОТВЕРСТИЕМ RQ
Нажмите на изображение для увеличения продукта
Бренд:RightWay
Большое сквозное отверстие для поворота длинномерной заготовки.
Легкий вес и высокая скорость вращения, специально разработанный клапан, который экономит расход воздуха, экономит затраты.
Компоненты цилиндра импортированы и отличаются высоким качеством, равномерным ходом и длительным сроком службы.
Для специального большого сквозного отверстия можно настроить в соответствии с вашими требованиями.
Во время использования должно образовываться небольшое количество масляного тумана.
Единица измерения: мм
| Модель |
Площадь поршня |
Площадь поршня возвратного действия |
Ход поршня мм |
Макс. число оборотов в мин. |
|---|---|---|---|---|
| RQ-130 | 116.8 | 116.8 | 15 | 5000 |
| RQ-150 | 153 | 143.5 | 15 | 4500 |
| RQ-170 | 198.7 | 188.5 | 15 | 4500 |
| Модель |
Макс. рабочее давление (kgf/cm2) |
Макс. сила толчка |
Макс. сила тяги |
I kg*m2 |
Вес кг |
|---|---|---|---|---|---|
| RQ-130 | 0.8(8) | 933(9.14) | 933(9.14) | 0.04 | 8.4 |
| RQ-150 | 0.8(8) | 1224(12) | 1148(11.25) | 0.06 | 9.5 |
| RQ-170 | 0.8(8) | 1589.6(15.58) | 1549.6(15.2) | 0.09 | 11.6 |
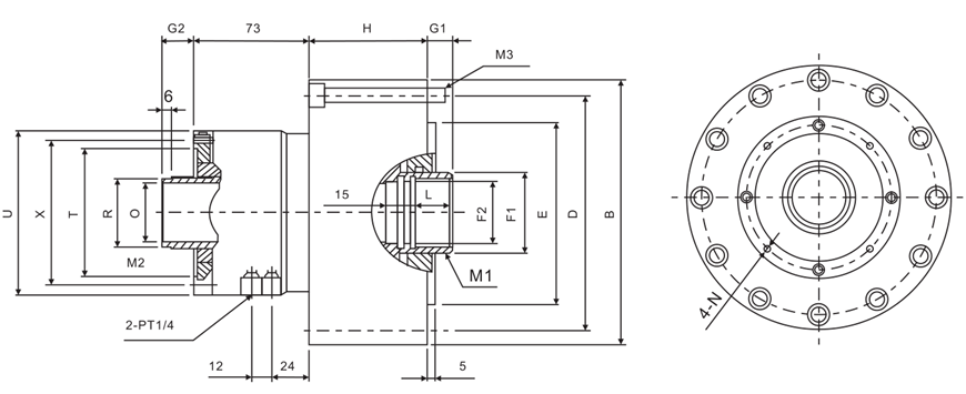
| Модель | A | B | D | E H7 | F1 | F2 | G1 Max. | G1 Min. | G2 Max. | G2 Min. | H | L |
|---|---|---|---|---|---|---|---|---|---|---|---|---|
| RQ-130 | 130 | 160 | 143 | 110 | 45 | 36.5 | 15 | 0 | 35 | 20 | 60 | 25 |
| RQ-150 | 150 | 180 | 163 | 110 | 65 | 50 | 15 | 0 | 35 | 20 | 63 | 25 |
| RQ-170 | 170 | 200 | 182 | 110 | 65 | 50 | 15 | 0 | 35 | 20 | 63 | 25 |
| Модель | M1 | M2 | M3 | O H7 | N | R | T | U | X |
|---|---|---|---|---|---|---|---|---|---|
| RQ-130 | M38×1.5 | M44×1.5 | 6-M8×65 | 34 | M5×10 | 42 | 74 | 104 | 90 |
| RQ-150 | M55×2 | M52×1.5 | 6-M8×70 | 46 | M6×10 | 50 | 86 | 123 | 110 |
| RQ-170 | M55×2 | M52×1.5 | 6-M8×70 | 46 | M6×10 | 50 | 86 | 123 | 110 |