ВРАЩАЮЩИЙСЯ ГИДРОЦИЛИНДР SLN С ПОДСОЕДИНЕНИЕМ ОХЛАЖДАЮЩЕЙ ЖИДКОСТИ
ГИДРОЦИЛИНДРЫ ДЛЯ ПАТРОНОВ
ВРАЩАЮЩИЙСЯ ГИДРОЦИЛИНДР SLN С ПОДСОЕДИНЕНИЕМ ОХЛАЖДАЮЩЕЙ ЖИДКОСТИ
Нажмите на изображение для увеличения продукта
Бренд:RightWay
Встроенные предохранительные обратные клапаны и клапаны сброса давления.
Сливное отверстие должно быть независимо подсоединено к масляному баку, чтобы избежать обратного давления.
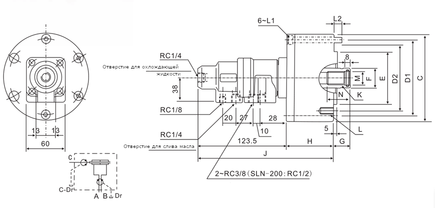
Единица измерения: mm
| Модель |
Площадь поршня прямого действия |
Площадь поршня возвратного действия |
Ход поршня мм |
Макс. число оборотов в мин. |
|---|---|---|---|---|
| SLN-75 | 42.6 | 37.1 | 15 | 6000 |
| SLN-100 | 77 | 71.5 | 20 | 6000 |
| SLN-125 | 121.2 | 113.1 | 25 | 6000 |
| SLN-150 | 175.2 | 160.8 | 30 | 5500 |
| SLN-200 | 312.5 | 290.4 | 35 | 5500 |
|
Spec Model |
Max.Operating Pressure Mpa(kgf/cm2) |
coolant connection Max.pressure Mpa(kgf/cm2) |
I kg*m2 |
Weight kg |
|---|---|---|---|---|
| SLN-75 | 4.0(40) | 3.5(35) | 0.01 | 3 |
| SLN-100 | 4.0(40) | 3.5(35) | 0.04 | 4.5 |
| SLN-125 | 4.0(40) | 3.5(35) | 0.05 | 7 |
| SLN-150 | 4.0(40) | 3.5(35) | 0.1 | 9.6 |
| SLN-200 | 4.0(40) | 3.5(35) | 0.29 | 15.5 |
| Модель | A | B | C | D1 | D2 | E H7 | F | G Max | G Min | H | J | K | L | L1 | L2 | M H8 | N |
|---|---|---|---|---|---|---|---|---|---|---|---|---|---|---|---|---|---|
| SLN-75 | 75 | 15 | 107 | 90 | 90 | 65 | 30 | 45 | 30 | 57 | 180 | M20×2.5 | 6~M8×16 | SpecM8×60 | 12 | 21 | 35 |
| SLN-100 | 100 | 20 | 132 | 115 | 100 | 80 | 30 | 45 | 25 | 72 | 195 | M20×2.5 | 6~M10×20 | M8×75 | 12 | 21 | 35 |
| SLN-125 | 125 | 25 | 160 | 140 | 130 | 110 | 35 | 50 | 25 | 82 | 205 | M24×3.0 | 6~M12×20 | M8×85 | 12 | 25 | 45 |
| SLN-150 | 150 | 30 | 190 | 170 | 130 | 110 | 45 | 55 | 25 | 95 | 218 | M30×3.5 | 12~M12×24 | M10×100 | 16 | 31 | 45 |
| SLN-200 | 200 | 35 | 245 | 220 | 145 | 120 | 55 | 70 | 35 | 115 | 240 | M36×4.0 | 12~M16×30 | M10×125 | 21 | 37 | 60 |