ГИДРАВЛИЧЕСКИЙ ВРАЩАЮЩИЙСЯ ЦИЛИНДР SRN С РЕГУЛИРОВКОЙ ХОДА
ГИДРОЦИЛИНДРЫ ДЛЯ ПАТРОНОВ
ГИДРАВЛИЧЕСКИЙ ВРАЩАЮЩИЙСЯ ЦИЛИНДР SRN С РЕГУЛИРОВКОЙ ХОДА
Нажмите на изображение для увеличения продукта
Бренд:RightWay
Вращающийся цилиндр - это тип короткой формы, легкого веса и высокой скорости вращения.
Он может работать с индуктивным бесконтактным переключателем, легко регулировать ход и проверять, в порядке ли ход поршня цилиндра или нет.
Он может монтироваться спереди или сзади.
Сливное отверстие должно быть независимо подсоединено к масляному баку, чтобы избежать обратного давления.
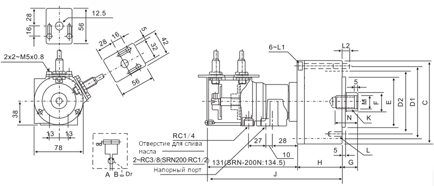
Единица измерения: mm
|
Модель |
Площадь поршня прямого действия |
Площадь поршня возвратного действия |
Ход поршня мм |
Макс. число оборотов в мин. |
Макс. рабочее давление (kgf/cm2) |
I kg*m2 |
Вес кг |
|---|---|---|---|---|---|---|---|
| SRN-6520 | 32 | 28.3 | 20 | 6000 | 4.0(40) | 0.01 | 3.2 |
| SRN-6530 | 32 | 28.3 | 30 | 6000 | 4.0(40) | 0.01 | 3.3 |
| SRN-75 | 43 | 37.1 | 15 | 6000 | 4.0(40) | 0.01 | 3.3 |
| SRN-7530 | 43 | 37.1 | 30 | 6000 | 4.0(40) | 0.013 | 3.7 |
| SRN-100 | 77.4 | 71.5 | 20 | 6000 | 4.0(40) | 0.04 | 4.8 |
| SRN-125 | 121.6 | 113.1 | 25 | 5500 | 4.0(40) | 0.05 | 7.3 |
| SRN-150 | 175.6 | 160.8 | 30 | 5500 | 4.0(40) | 0.15 | 10.6 |
| SRN-200 | 313 | 290.4 | 35 | 5500 | 4.0(40) | 0.29 | 15.9 |
| Модель | A | B | C | D1 | D2 | E H7 | F | G Max | G Min | H | J | K | L | L1 | L2 | M H8 | N |
|---|---|---|---|---|---|---|---|---|---|---|---|---|---|---|---|---|---|
| SRN-6520 | 65 | 20 | 97 | 80 | 80 | 60 | 25 | 45 | 25 | 62 | 193 | M16×2.0 | 6~M8×16 | M6×70 | 14.5 | 17 | 30 |
| SRN-6530 | 65 | 30 | 97 | 80 | 80 | 60 | 25 | 45 | 15 | 62 | 203 | M16×2.0 | 6~M8×16 | M6×80 | 14.5 | 17 | 30 |
| SRN-75 | 75 | 15 | 107 | 90 | 90 | 65 | 30 | 45 | 30 | 57 | 188 | M20×2.5 | 6~M8×16 | M8×60 | 12 | 21 | 35 |
| SRN-7530 | 75 | 30 | 107 | 90 | 90 | 65 | 30 | 45 | 15 | 72 | 203 | M20×2.5 | 6~M8×16 | M8×75 | 12 | 21 | 35 |
| SRN-100 | 100 | 20 | 132 | 115 | 100 | 80 | 30 | 45 | 25 | 72 | 203 | M20×2.5 | 6~M10×20 | M8×75 | 12 | 21 | 35 |
| SRN-125 | 125 | 25 | 160 | 140 | 130 | 110 | 35 | 50 | 25 | 82 | 213 | M24×3.0 | 6~M12×20 | M8×85 | 12 | 25 | 45 |
| SRN-150 | 150 | 30 | 190 | 170 | 130 | 110 | 45 | 55 | 25 | 95 | 226 | M36×3.5 | 12~M12×24 | M10×100 | 16 | 31 | 45 |
| SRN-200 | 200 | 35 | 245 | 220 | 145 | 120 | 55 | 75 | 35 | 115 | 249.5 | M36×4.0 | 12~M16×30 | M10×125 | 21 | 37 | 60 |