ВРАЩАЮЩИЙСЯ ГИДРАВЛИЧЕСКИЙ ЦИЛИНДР SNK
ГИДРОЦИЛИНДРЫ ДЛЯ ПАТРОНОВ
ВРАЩАЮЩИЙСЯ ГИДРАВЛИЧЕСКИЙ ЦИЛИНДР SNK
Нажмите на изображение для увеличения продукта
Бренд:RightWay
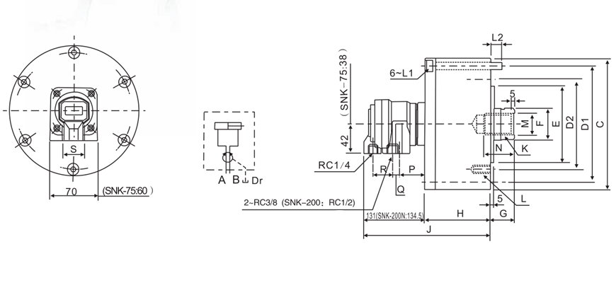
Вращающийся цилиндр - это тип короткой формы, легкого веса и высокой скорости вращения.
Предохранительный обратный клапан и клапан сброса давления встроены в цилиндр.
Он может быть установлен спереди или сзади.
Сливное отверстие должно быть независимо подсоединено к масляному баку, чтобы избежать обратного давления.
Единица измерения: mm
| Модель |
Площадь поршня прямого действия |
Площадь поршня возвратного действия |
Ход поршня мм |
Макс. число оборотов в минуту |
Макс. рабочее давление (kgf/cm2) |
I kg*m2 |
Вес кг |
|---|---|---|---|---|---|---|---|
| SNK-75 | 44.2 | 37.1 | 15 | 6000 | 4.0(40) | 0.01 | 2.8 |
| SNK-100 | 78.5 | 71.5 | 20 | 6000 | 4.0(40) | 0.03 | 4.3 |
| SNK-125 | 122.7 | 113.1 | 25 | 5500 | 4.0(40) | 0.05 | 6.8 |
| SNK-150 | 176.7 | 160.8 | 30 | 5500 | 4.0(40) | 0.09 | 9.4 |
| SNK-200 | 314.1 | 290.4 | 35 | 5500 | 4.0(40) | 0.28 | 15.3 |
| SNK-250 | 469.1 | 436 | 60 | 2000 | 5.0(50) | 0.4 | 45.2 |
|
Модель
|
A | B | C | D1 | D2 | EH7 | F |
G Max |
G Min |
H | J | K | L | L1 | L2 | M | N | P | Q | R | S |
|---|---|---|---|---|---|---|---|---|---|---|---|---|---|---|---|---|---|---|---|---|---|
| SNK-75 | 75 | 15 | 107 | 90 | 90 | 65 | 30 | 45 | 30 | 57 | 148 | M20×2.5 | 6~M8×16 | M8×60 | 12 | 21 | 35 | 28 | 10 | 27.5 | 26 |
| SNK-100 | 100 | 20 | 132 | 115 | 100 | 80 | 30 | 45 | 25 | 72 | 163 | M20×2.5 | 6~M10×20 | M8×75 | 12 | 21 | 35 | 26 | 10 | 28.5 | 32 |
| SNK-125 | 125 | 25 | 160 | 140 | 130 | 110 | 35 | 50 | 25 | 82 | 172 | M24×3.0 | 6~M12×20 | M8×85 | 12 | 25 | 45 | 26 | 10 | 28.5 | 32 |
| SNK-150 | 150 | 30 | 190 | 170 | 130 | 110 | 45 | 55 | 25 | 95 | 184 | M30×3.5 | 12~M12×24 | M10×100 | 16 | 31 | 45 | 26 | 10 | 28.5 | 32 |
| SNK-200 | 200 | 35 | 245 | 220 | 145 | 120 | 55 | 70 | 35 | 115 | 201 | M36×4.0 | 12~M16×30 | M10×125 | 21 | 37 | 60 | 60 | 6 | 28.5 | 32 |
| SNK-250 | 245 | 60 | 307 | 275 | 220 | 160 | 65 | 85 | 25 | 165 | 255 | M42×3.0 | 12~M20×35 | M16×175 | 28 | 45 | 65 | 65 | 18 | 6 | 28 |