ВРАЩАЮЩИЙСЯ ГИДРАВЛИЧЕСКИЙ ЦИЛИНДР ТИПА HK SHOP СО СКВОЗНЫМ ОТВЕРСТИЕМ И ПРЕДОХРАНИТЕЛЕМ
ГИДРОЦИЛИНДРЫ ДЛЯ ПАТРОНОВ
ВРАЩАЮЩИЙСЯ ГИДРАВЛИЧЕСКИЙ ЦИЛИНДР ТИПА HK SHOP СО СКВОЗНЫМ ОТВЕРСТИЕМ И ПРЕДОХРАНИТЕЛЕМ
Нажмите на изображение для увеличения продукта
Бренд:RightWay
Компактный размер и большое сквозное отверстие, малый вес, высокая скорость вращения и стабильная работа. Конструкция безопасности: Она может удерживать усилие захвата с помощью обратного клапана.
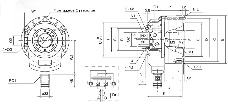
Единица измерения:мм
| Модель |
Площадь поршня прямого действия |
Площадь поршня возвратного действия |
Ход поршня (мм) |
Макс. число оборотов в мин. |
Макс. рабочее давление (kgf/cm2) |
I
Kg*m2 |
Вес кг |
Общая утечка L/min |
|---|---|---|---|---|---|---|---|---|
| HK-2091 | 234 | 217.5 | 30 | 3800 | 4.0(40) | 0.092 | 24.8 | 4.5 |
| HK-2511 | 356.5 | 335.3 | 30 | 3000 | 3.5(35) | 0.38 | 49.5 | 7 |
| HK-2114 | 373.2 | 336.1 | 35 | 2500 | 3.5(35) | 0.54 | 58.2 | 8 |
|
Модель
|
A(Id) | B | C | D | Eh7 | F | G1Max | G1Min | G2Max | G2Min | H | J | K | L | L1 | L2 | M1 | M2 | M3 |
|---|---|---|---|---|---|---|---|---|---|---|---|---|---|---|---|---|---|---|---|
| HK-2091 | 200 | 245 | 215 | 225 | 180 | 110 | 30 | 0 | 55 | 25 | 87 | 127 | 185 | M12×24 | M10×95 | 18.5 | M100×2 | 35 | 15 |
| HK-2511 | 250 | 305 | 275 | 280 | 230 | 140 | 30 | 0 | 55 | 25 | 100 | 154 | 224 | M16×32 | M12×110 | 22.5 | M130×2 | 35 | 15 |
| HK-2114 | 265 | 320 | 295 | 295 | 240 | 165 | 35 | 0 | 60 | 25 | 115 | 173.5 | 247.5 | M16×32 | M12×120 | 17.5 | M155×2 | 45 | 20 |
|
Модель
|
N1 | N2 | O1 H8 | O2 H8 | P | Q1 | Q2 | Q3 | R G7 | S H7 | T | U | V | W1 | W2 | X1 | X2 | Y1 | Y2 |
|---|---|---|---|---|---|---|---|---|---|---|---|---|---|---|---|---|---|---|---|
| HK-2091 | M100×2.0 | 38 | 95 | 91 | 128.5 | 15 | 45 | RC1/2 | 96 | 120 | 138 | 180 | 7 | 110 | 185 | 108 | M6×10 | 165 | M6×10 |
| HK-2511 | M130×2.0 | 38 | 125 | 120 | 152 | 17 | 50 | RC1/2 | 126 | 150 | 170 | 227 | 7 | 134 | 210 | 138 | M6×10 | 210 | M6×10 |
| HK-2114 | M150×2.0 | 38 | 145 | 140 | 170 | 17 | 50 | RC1/2 | 146 | 170 | 190 | 250 | 7 | 145 | 210 | 160 | M6×10 | 230 | M6×10 |