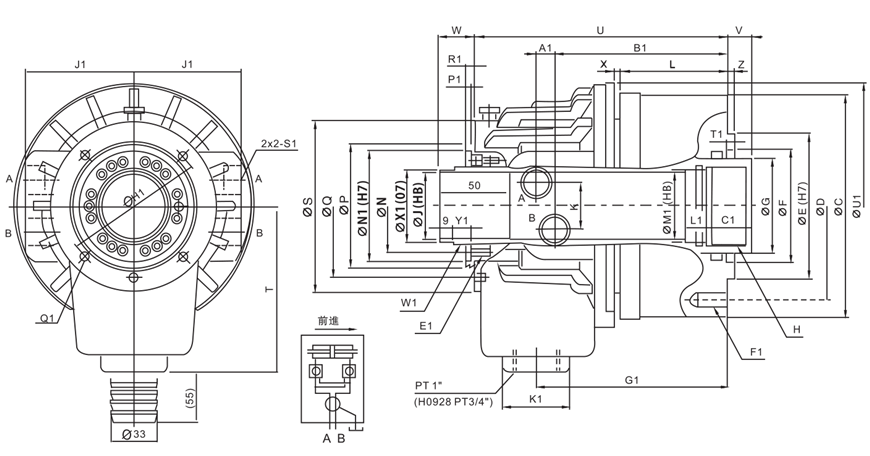
СКВОЗНОЙ ВРАЩАЮЩИЙСЯ ГИДРАВЛИЧЕСКИЙ ЦИЛИНДР
ГИДРОЦИЛИНДРЫ ДЛЯ ПАТРОНОВ
СКВОЗНОЙ ВРАЩАЮЩИЙСЯ ГИДРАВЛИЧЕСКИЙ ЦИЛИНДР
Нажмите на изображение для увеличения продукта
Бренд:RightWay
Компактный размер и большое сквозное отверстие, малый вес, высокая скорость вращения и стабильная работа. Конструкция безопасности: Она может удерживать усилие захвата с помощью обратного клапана.
Единица измерения:
|
Модель |
Диаметр поршня
мм
|
Площадь поршня (см2) Push/Pull |
Макс. Сила тяги |
Ход поршня
мм
|
Макс. рабочее давление |
Макс. число |
I kg*m2 |
Вес
кг
|
Общая L/min |
|---|---|---|---|---|---|---|---|---|---|
| H-0928 | 90 | 53.2 / 48.3 | 19.9(2029) / 18(1835) | 10 | 4.0(40.8) | 8000 | 0.006 | 5.5 | 3 |
| H-1036 | 105 | 71 / 68.5 | 26(2651) / 25(2549) | 15 | 4.0(40.8) | 8000 | 0.011 | 8.6 | 3 |
| H-1038 | 105 | 71 / 66 | 26(2651) / 24.5(2498) | 15 | 4.0(40.8) | 8000 | 0.011 | 8.5 | 3 |
| H-1236 | 125 | 100 / 89 | 38(3875) / 33(3365) | 15 | 4.0(40.8) | 7000 | 0.019 | 13 | 3 |
| H-1246 | 125 | 100 / 89 | 38(3875) / 33(3365) | 15 | 4.0(40.8) | 7000 | 0.019 | 12 | 3 |
| H-1546 | 155 | 161 / 154 | 60(6118) / 57.8(5894) | 22 | 4.0(40.8) | 6200 | 0.056 | 18 | 3.9 |
| H-1552 | 155 | 161 / 150 | 60(6118) / 56(5710) | 22 | 4.0(40.8) | 6200 | 0.052 | 16.8 | 3.9 |
| H-1868 | 180 | 198 / 197 | 74(7546) / 73.5(7495) | 25 | 4.0(40.8) | 4700 | 0.098 | 28 | 4.2 |
| H-1870 | 180 | 198 / 183 | 74(7546) / 69(7036) | 25 | 4.0(40.8) | 4700 | 0.095 | 26.5 | 4.2 |
| H-1875 | 180 | 198 / 183 | 74(7546) / 69(7036) | 25 | 4.0(40.8) | 4700 | 0.095 | 26 | 4.2 |
| H-1878 | 180 | 198 / 183 | 74(7546) / 69(7036) | 25 | 4.0(40.8) | 4700 | 0.095 | 25.5 | 4.2 |
| H-2078 | 205 | 262 / 234 | 98(9993) / 88(8973) | 23 | 4.0(40.8) | 3800 | 0.15 | 36.5 | 4.5 |
| H-2085 | 205 | 252 / 234 | 94(9585) / 88(8973) | 30 | 4.0(40.8) | 3800 | 0.15 | 37.5 | 4.5 |
| H-2091 | 205 | 252 / 234 | 94(9585) / 88(8973) | 30 | 4.0(40.8) | 3800 | 0.15 | 37 | 4.5 |
| H-2511 | 250 | 348 / 336 | 124(12644) / 120(12236) | 23 | 4.0(40.8) | 2800 | 0.45 | 57 | 7 |
| H-2511S | 250 | 348 / 336 | 124(12644) / 120(12236) | 23 | 4.0(40.8) | 2800 | 0.41 | 53 | 7 |
|
Модель |
A1 | B1 | C1 | E1 | F1 | G1 | H1 | J1 | K1 | L1 |
|---|---|---|---|---|---|---|---|---|---|---|
| H-0928 | 9 | 108 | 25 | 8-M6x10 | 6-M8x15 | 110 | 76 | 58 | 44 | 15 |
| H-1036 | 11 | 120.5 | 25 | 6-M5x10 | 6-M10x17 | 126 | 88 | 68 | 53 | 15 |
| H-1038 | 11 | 120.5 | 25 | 6-M5x10 | 6-M10x17 | 126 | 88 | 68 | 53 | 15 |
| H-1236 | 11 | 126.5 | 25 | 6-M6x12 | 12-M10x20 | 135 | 98 | 76 | 47 | 15 |
| H-1246 | 11 | 126.5 | 30 | 6-M6x12 | 12-M10x20 | 135 | 98 | 76 | 47 | 15 |
| H-1546 | 11 | 133.5 | 30 | 6-M6x12 | 12-M10x20 | 145 | 110 | 86 | 47 | 15 |
| H-1552 | 11 | 133.5 | 30 | 6-M6x12 | 12-M10x20 | 145 | 110 | 86 | 47 | 15 |
| H-1868 | 17.5 | 152.5 | 35 | 6-M6x12 | 12-M10x20 | 166.5 | 155 | 101 | 47 | 15 |
| H-1870 | 17.5 | Model152.5 | 35 | 6-M6x12 | 12-M10x20 | 166.5 | 155 | 101 | 47 | 15 |
| H-1875 | 17.5 | 152.5 | 35 | 6-M6x12 | 12-M10x20 | 166.5 | 155 | 101 | 47 | 15 |
| H-1878 | 17.5 | 152.5 | 35 | 6-M6x12 | 12-M10x20 | 166.5 | 155 | 101 | 47 | 20 |
| H-2078 | 21 | 166.5 | 35 | 6-M6x12 | 12-M12x24 | 182 | 165 | 110 | 47 | 20 |
| H-2085 | 21 | 166.5 | 35 | 6-M6x12 | 12-M12x24 | 182 | 165 | 110 | 47 | 20 |
| H-2091 | 21 | 166.5 | 35 | 6-M6x12 | 12-M12x24 | 182 | 165 | 110 | 47 | 15 |
| H-2511 | 27 | 184.5 | 45 | 6-M6x12 | 12-M16x32 | 197 | 206 | 129 | 55 | 20 |
| H-2511S | 21 | 169.5 | 45 | 6-M6x12 | 12-M16x32 | 192 | 206 | 132 | 55 | 20 |
|
Модель |
M1 | N1 | P1 | Q1 | R1 | S1 | T1 | U1 | W1 | X1 | Y1 |
|---|---|---|---|---|---|---|---|---|---|---|---|
| H-0928 | 34 | 53 | 4 | 4-M4x7 | 5 | PT 1/4" | 6 | 116 | M34x1.5 | 32 | 15 |
| H-1036 | 38 | 64 | 4 | 6-M5x12 | 5 | PT 3/8" | 6 | 136 | M44x1.5 | 42 | 14 |
| H-1038 | 40 | 64 | 4 | 6-M5x12 | 5 | PT 3/8" | 6 | 136 | M44x1.5 | 42 | 14 |
| H-1236 | 38 | 76 | 4 | 4-M5x12 | 6 | PT 1/2" | 6 | 169 | M52x1.5 | 50 | 14 |
| H-1246 | 50 | 76 | 4 | 4-M5x12 | 6 | PT 1/2" | 6 | 169 | M52x1.5 | 50 | 14 |
| H-1546 | 50 | 85 | 4 | 4-M6x12 | 7 | PT 1/2" | 6 | 188 | M58x1.5 | 56 | 13.5 |
| H-1552 | 55 | 85 | 4 | 4-M6x12 | 7 | PT 1/2" | 6 | 188 | M58x1.5 | 56 | 13.5 |
| H-1868 | 70 | 108 | 4 | 4-M6x12 | 7.5 | PT 1/2" | 6 | 215 | M84x2 | 81 | 12.5 |
| H-1870 | 75 | 108 | 4 | 4-M6x12 | 7.5 | PT 1/2" | 6 | 215 | M84x2 | 81 | 12.5 |
| H-1875 | 80 | 108 | 4 | 4-M6x12 | 7.5 | PT 1/2" | 6 | 215 | M84x2 | 81 | 12.5 |
| H-1878 | 82 | 108 | 4 | 4-M6x12 | 7.5 | PT 1/2" | 6 | 215 | M84x2 | 81 | 12.5 |
| H-2078 | 84 | 120 | 4 | 4-M6x12 | 7 | PT 1/2" | 6 | 240 | M99x2 | 96 | 20 |
| H-2085 | 89 | 120 | 4 | 4-M6x12 | 7 | PT 1/2" | 6 | 240 | M99x2 | 96 | 13 |
| H-2091 | 95 | 120 | 4 | 4-M6x12 | 7 | PT 1/2" | 6 | 240 | M99x2 | 96 | 13 |
| H-2511 | 123 | 160 | 5 | 4-M6x12 | 7 | PT 1/2" | 6 | 294 | — | 134.6 | — |
| H-2511S | 123 | 160 | 5 | 4-M6x12 | 7 | PT 1/2" | 6 | 294 | — | 134.6 | — |