СИЛОВОЙ ПАТРОН 1B СО СКВОЗНЫМ ОТВЕРСТИЕМ И ОДНИМ КУЛАЧКОМ
ГИДРАВЛИЧЕСКИЕ ПАТРОНЫ
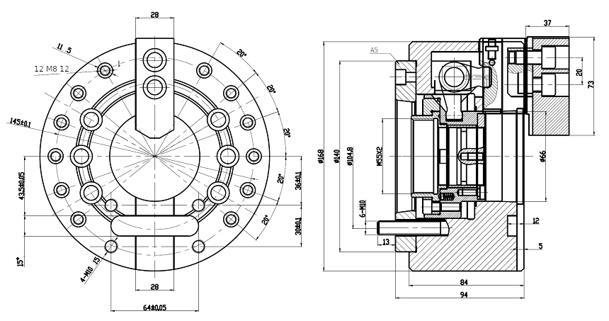
СИЛОВОЙ ПАТРОН 1B СО СКВОЗНЫМ ОТВЕРСТИЕМ И ОДНИМ КУЛАЧКОМ
Нажмите на изображение для увеличения продукта
Бренд:RightWay
Силовой патрон со сквозным отверстием с одной челюстью, сверхдлинный ход кулач.Подходит для зажима кондуктора.
Конструкция с высокой жесткостью и высокой точностью зажима.
| Модель |
Ход плунжера (мм) |
Ход челюсти (диаметр) (мм) |
Диаметр Диапазон зажима (мм) |
Макс. тяга (kgf) |
Макс. усилие зажима (kgf) |
| 1B-06A5 | 15 | 12 | 10-169 | 15.7(1600) | 17.2(1760) |
| 1B-08A6 | 20 | 32 | 10-210 | 22.8(2330) | 27(2750) |
|
Spec Модель |
Макс. число оборотов в мин. |
I kg*m2 |
Вес кг |
Подходящие цилиндры |
Макс.давление (kgf/cm2) |
| 1B-06A5 | 3600 | 0.05 | 15 | H-1246/HK-1246 | 1.7(17) |
| 1B-08A6 | 3000 | 0.15 | 26 | H-1552/HK-1552 | 1.5(15) |