Бренд:RightWay
Шесть кулачков. Больший зажим точки контакта, это может улучшить проблему деформации во время процесса зажима для тонкостенной трубы или кольцеобразной заготовки.
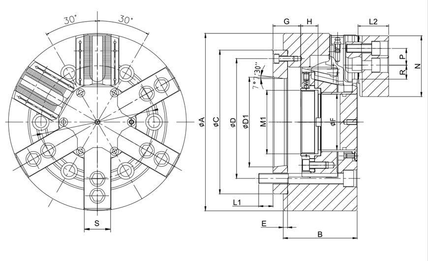
Единица измерения: мм
|
Модель |
Ход плунжера |
Ход челюсти (диаметр) |
Макс. диаметр зажима |
Мин. диаметр зажима |
Макс. тяга |
|---|---|---|---|---|---|
|
BS-206 A5 |
12 |
5.6 |
168 |
15 |
17.1(1750) |
|
BS-208 A6 |
16 |
7.4 |
210 |
13 |
34.3(3500) |
|
BS-210 A8 |
19 |
8.8 |
254 |
46 |
34.3(3500) |
|
Модель |
Макс. усилие зажима |
Макс. число оборотов в мин. |
I |
Вес |
Подходящие цилиндры |
Макс.давление |
|---|---|---|---|---|---|---|
|
BS-206 A5 |
35.8(3650) |
6000 |
0.06 |
15 |
H-1246 |
2.0(20) |
|
BS-208 A6 |
85.8(8750) |
5000 |
0.19 |
25 |
H-1552 |
2.8(28) |
|
BS-210 A8 |
85.8(8750) |
4200 |
0.35 |
42 |
H-1875 |
2.1(21) |
|
Модель |
A |
B |
C(H6) |
D |
E |
F |
G max |
G min |
H |
|---|---|---|---|---|---|---|---|---|---|
|
BS-206 A5 |
169 |
81 |
140 |
104.78 |
5 |
45 |
26 |
14 |
19 |
|
BS-208 A6 |
210 |
87 |
170 |
133.35 |
5.5 |
66 |
31.5 |
15.5 |
20.5 |
|
BS-210 A8 |
254 |
100 |
220 |
171.45 |
5.5 |
86 |
26.5 |
7.5 |
25 |
|
Модель |
L1 |
L2 |
M1 |
N |
P |
R max |
R min |
S |
|---|---|---|---|---|---|---|---|---|
|
BS-206 A5 |
18 |
30 |
M55*2.0 |
62 |
14 |
19.8 |
7.8 |
25 |
|
BS-208 A6 |
17 |
36 |
M75*2.0 |
73 |
20 |
22.8 |
9.3 |
31 |
|
BS-210 A8 |
24.5 |
37 |
M95*2.0 |
95 |
25 |
29.8 |
14.8 |
35 |