Бренд:RightWay
Преимущества:
1) Стандартный материал кулачков - Сталь 45.
2) Высокоточный шаг зубьев для правильного позиционирования в направляющих патрона.
3) Применимо к соответствующим моделям патронов SMW / Kitagawa / Soul / Howa / Samchully / Auto-strong / Tonfou / Chandox / Autogrip / и других брендов.
4) Приспособлены для переточки и подгонки.
|
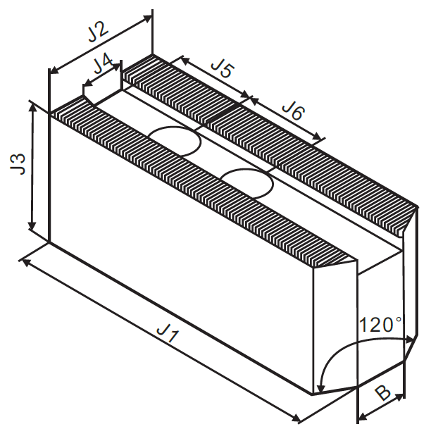
Модель |
J1 |
J2 |
J3 |
J4 |
J5 |
J6 |
B |
Винт |
Масса (кг) |
|---|---|---|---|---|---|---|---|---|---|
|
SC08H50 |
95 |
35 |
50 |
14 |
24 |
25 |
16 |
M12 |
3.2 |
|
SC08H60 |
95 |
35 |
60 |
14 |
24 |
25 |
16 |
M12 |
3.8 |
|
SC08H70 |
95 |
35 |
70 |
14 |
24 |
25 |
16 |
M12 |
4.4 |
|
SC08H80 |
95 |
35 |
80 |
14 |
24 |
25 |
16 |
M12 |
5.1 |
|
SC08H90 |
95 |
35 |
90 |
14 |
24 |
25 |
16 |
M12 |
5.8 |
|
SC08H100 |
95 |
35 |
100 |
14 |
24 |
25 |
16 |
M12 |
6.4 |
|
SC08H110 |
95 |
35 |
110 |
14 |
24 |
25 |
16 |
M12 |
7.0 |
|
SC08H120 |
95 |
35 |
120 |
14 |
24 |
25 |
16 |
M12 |
7.6 |
|
SC08H130 |
95 |
35 |
130 |
14 |
24 |
25 |
16 |
M12 |
8.2 |
|
SC08H140 |
95 |
35 |
140 |
14 |
24 |
25 |
16 |
M12 |
8.8 |
|
SC08H150 |
95 |
35 |
150 |
14 |
24 |
25 |
16 |
M12 |
9.4 |
|
SC08H160 |
95 |
35 |
160 |
14 |
24 |
25 |
16 |
M12 |
10.1 |
|
SC08H170 |
95 |
35 |
170 |
14 |
24 |
25 |
16 |
M12 |
11.7 |
|
SC08H180 |
95 |
35 |
180 |
14 |
24 |
25 |
16 |
M12 |
11.4 |
|
SC08H190 |
95 |
35 |
190 |
14 |
24 |
25 |
16 |
M12 |
12 |
|
SC08H200 |
95 |
35 |
200 |
14 |
24 |
25 |
16 |
M12 |
12.6 |