TL 2-КУЛАЧКОВЫЕ ЦЕЛЬНЫЕ СИЛОВЫЕ ПАТРОНЫ
ГИДРАВЛИЧЕСКИЕ ПАТРОНЫ
TL 2-КУЛАЧКОВЫЕ ЦЕЛЬНЫЕ СИЛОВЫЕ ПАТРОНЫ
Нажмите на изображение для увеличения продукта
Бренд:RightWay
Это клиновидно-крюковый 2-кулачковый центральный силовой патрон с закрытым центром. Подходит для обработки заготовок неправильной формы.
Соответствующие поверхности всех деталей закаляются, шлифуются и смазываются непосредственно.
Конструкция с высокой жесткостью, высокой точностью зажима и высокой скоростью вращения.
Единица измерения:
| Модель |
Ход плунжера мм |
Ход кулачка Диаметр мм |
Макс. число оборотов в мин. | Макс.сила тяги | Макс. усилие захвата |
|---|---|---|---|---|---|
| TL-204 | 15 | 6.4 | 6000 | 540(5.3) | 1500(14.7) |
| TL-205 | 15 | 6.4 | 5500 | 540(5.3) | 1700(16.7) |
| TL-206 | 20 | 8.5 | 5000 | 1220(12) | 3460(34) |
| TL-208 | 21 | 8.8 | 4000 | 1630(16) | 4990(49) |
| TL-210 | 25 | 8.8 | 3500 | 1930(19) | 7140(70) |
| TL-212 | 30 | 10.5 | 3000 | 2750(27) | 10300(101) |
| Модель | Макс. давление масла |
Вес (кг) |
Соответствующий цилиндр |
Диапазон захвата (мм) |
|---|---|---|---|---|
| TL-204 | 15(1.5) | 3.8 | S-65 | Ø5-Ø110 |
| TL-205 | 15(1.5) | 5.8 | S-80 | Ø14-Ø135 |
| TL-206 | 17(1.7) | 11.1 | S-100 | Ø9-Ø165 |
| TL-208 | 16(1.9) | 21.3 | S-125 | Ø12-Ø210 |
| TL-210 | 19(1.9) | 32.6 | S-125 | Ø15-Ø254 |
| TL-212 | 20(2.0) | 57 | S-150 | Ø20-Ø304 |
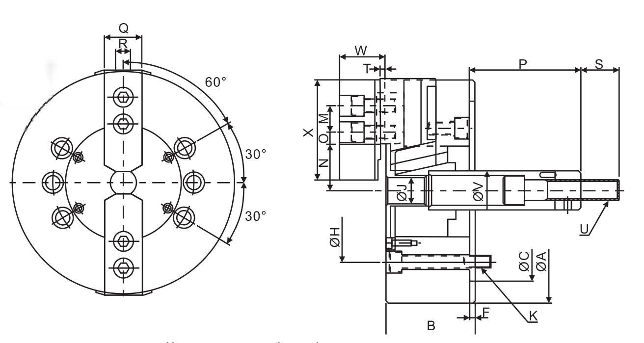
| Модель | Фланец шпинделя | A | B | C(h6) | D | E | E1 | F | G | H | J | K | L | M |
|---|---|---|---|---|---|---|---|---|---|---|---|---|---|---|
| TL-204 | - | 110 | 52 | 60 | - | - | - | - | - | 80 | - | 4-M8×1.25P | 12 | 14 |
| TL-205 | A4 | 135 | 55 | 80 | 63.513 | - | - | 7 | - | 100 | - | 4-M8×1.25P | 14 | 14 |
| TL-206 | A5 | 165 | 74 | 140 | 82.563 | 15 | - | 5 | 116 | 104.8 | 21 | 6-M10×1.5P | 14 | 20 |
| TL-208 | A6(A5) | 210 | 85 | 170 | 106.375 | 17 | 23 | 5 | 150 | 133.4 | 25 | 6-M12×1.75P | 18 | 25 |
| TL-210 | A8(A6) | 254 | 89 | 220 | 139.719 | 18 | 28 | 5 | 190 | 171.4 | 34 | 6-M16×2P | 25 | 30 |
| TL-212 | A8 | 304 | 106 | 220 | 139.719 | 18 | - | 6 | 190 | 171.4 | 34 | 6-M16×2P | 25 | 30 |