ПОВОРОТНЫЙ ЦАНГОВЫЙ ПАТРОН С РЕЗИНОВОЙ ГИБКОЙ ЦАНГОЙ
ЦАНГОВЫЕ ПАТРОНЫ
ПОВОРОТНЫЙ ЦАНГОВЫЙ ПАТРОН С РЕЗИНОВОЙ ГИБКОЙ ЦАНГОЙ
Нажмите на изображение для увеличения продукта
Принимает зажимные головки типа Hainbuch.
Встроенный вращающийся ПНЕВМАТИЧЕСКИЙ цилиндр.
Прецизионный откидной цанговый патрон: повторяемость 0,010 мм.
Патрон имеет сквозное отверстие для стержневых деталей.
Двойной поршень: большое усилие захвата.
Высокая устойчивость к проникновению охлаждающей жидкости и стружки.
JAP207-42BZI
ГИДРАВЛИЧЕСКИЙ ЦАНГОВЫЙ ПАТРОН CHP206-SS 42 ДЛЯ ПОВОРОТНЫХ СТОЛОВ / ИНДЕКСНЫХ СТОЛОВ
Используется на станке с ЧПУ или шлифовальном станке, а также на 4-осевом или 5-осевом поворотном столе.
Принимает зажимные головки типа Hainbuch.
Встроенный поворотный гидравлический цилиндр.
Прецизионный откидной цанговый патрон: повторяемость 0,010 мм.
Специально для поворотных столов / индексных столов.
Реальная конструкция фронтального монтажа обеспечивает простоту установки.
Гидравлический привод: большое усилие захвата.
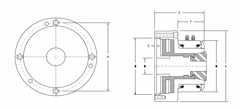
| Модель | JAP207-42BZI | CHP206-SS42 |
|---|---|---|
| Воздушный/гидравлический | Воздушный | Гидравлический |
| A | 197(7.75〞) | 166(6.54〞) |
| B | 155(6.10〞) | 130(5.12〞) |
| C | 42(1.65〞) | 42(1.65〞) |
| D | 4.5(0.18〞) | 4.5(0.18〞) |
| E | 146(5.75〞) | 100(3.94〞) |
| F | 69(2.72〞) | 52(2.05〞) |
| G | 146(5.75〞) | 135(5.31〞) |
| H(P.C.D) | 172(6.77〞) | 147(5.79〞) |
| Крепежные болты |
3H-M10(Front) 3H-M10(Rear) |
4H-M10(Front) |
| Рабочая цанга | SZM SS42 COLLET | SZM SS42 COLLET |
|
Макс. число оборотов в мин. |
2500 | 100 |
| Давление воздуха | 3-7kg/cm²(40-100psi) | 10-30kg/cm²(143-500psi) |
| Макс. диаметр зажима | 42mm(1.65〞) | 42mm(1.65〞) |
| Площадь патрона | 256cm²(40.0in²) | 66cm²(10.2in²) |
| Зажимная сила |
5572kgf@7kg/cm² (12258lbf@100psi) |
5669kgf@30kg/cm² (12472lbf@428psi) |
| Вес (кг) | 20kgs(44lbs) | 10kgs(22lbs) |