ПНЕВМАТИЧЕСКИЙ ЦАНГОВЫЙ ПАТРОН JAB
ЦАНГОВЫЕ ПАТРОНЫ
ПНЕВМАТИЧЕСКИЙ ЦАНГОВЫЙ ПАТРОН JAB
Нажмите на изображение для увеличения продукта
Бренд:RightWay
Применимо к ЧПУ / токарному станку / шлифовальному станку / 4-й оси / 5-й оси.
Цанга имеет два типа внутреннего расширения и наружного зажима.
Отсутствие нагрузки на медведя, поэтому высокая скорость вращения, более низкая температура, длительный срок службы.
Обозначение безопасности, когда давление воздуха прерывается, патрон все еще находится в состоянии зажима.
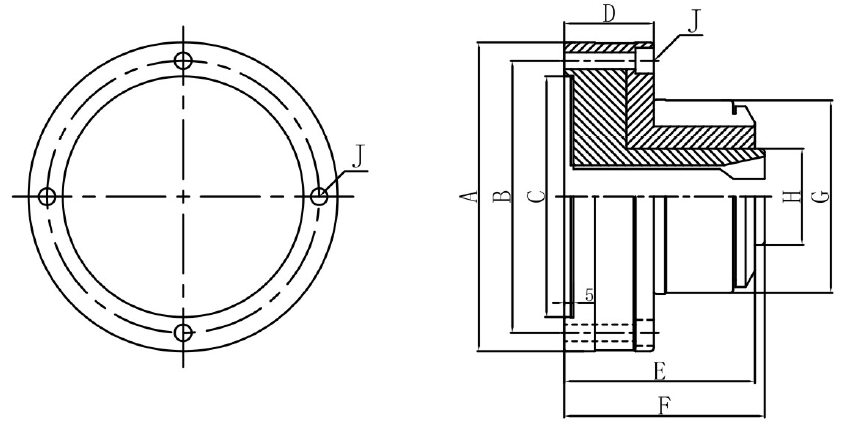
Единица измерения: мм
|
Модель
|
Ход патрона, мм
|
Макс.крутящий момент
|
Давление воздуха
кс\см2
|
Макс. число оборотов в мин.
|
Цанговый тип
|
Макс. Диаметр зажима.
|
Вес
кг
|
|---|---|---|---|---|---|---|---|
| JAB-15 | 4 | 3 | 3--8 | 4000 | YB-15 | 15 | 3.2 |
| JAB-25 | 4 | 3 | 3--8 | 4000 | YB-25(5C) | 25 | 9.5 |
| JAB-40 | 4 | 4.5 | 3--8 | 4000 | 16C | 40 | 13.5 |
| JAB-60 | 4 | 7.8 | 3--8 | 3000 | 20C | 60 | 20.35 |
| JAB-80 | 4 | 35 | 3--8 | 1500 | 193E | 80 | 32 |
|
Модель |
A | B | C | D | E | F | G | H | J |
|---|---|---|---|---|---|---|---|---|---|
| JAB-15 | 100 | 84 | 70 | 40 | 82 | 85 | 71 | 30 | 4*M6 |
| JAB-25 | 167 | 147 | 130 | 48 | 103 | 108 | 104 | 52 | 4*M8 |
| JAB-40 | 187 | 168 | 150 | 50 | 118 | 122 | 133 | 72 | 4*M8 |
| JAB-60 | 220 | 203 | 170 | 55 | 125 | 130 | 168 | 100 | 4*M10 |
| JAB-80 | 247 | 226 | 200 | 69 | 144.25 | 153 | 200 | 145 | 6*M10 |