Бренд:RightWay
3-кулачковый универсальный спиральный патрон
1. Гладкая спинка
2. Стандартные аксессуары: 1 комплект жестких губок из двух частей
3. Высокая точность при повторяемости зажима
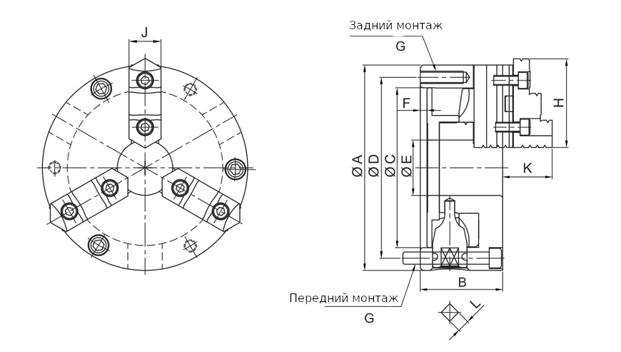
Единица измерения: мм
Модель
Макс. крутящий момент
Макс. Захватывающая сила
Вес
Число оборотов в мин.
Диапазон зажима
Диапазон зажима
SK-04
44
12
3.1
2500
3-90
32-84
SK-05
63
15
4.4
2500
3-110
35-100
SK-06
88
31
11.4
2000
8-160
55-150
SK-07
107
31
12.2
2000
8-180
62-170
SK-08
128
33
16.2
2000
8-180
62-170
SK-09
147
37
21.2
2000
11-220
70-210
SK-10
176
46
28
1800
12-260
80-250
SK-12
206
55
41
1800
15-300
90-290
SK-14
225
55
54
1500
15-350
100-330
SK-16
245
60
74
1500
30-400
110-380
SK-20
320
68
140
700
30-500
152-480
SK-25
420
78
235
850
80-630
198-601
SKB-25
420
78
208.5
850
160-630
274-646
SK-32
460
88
442
500
150-800
240-750
SK-40
500
115
590
400
250-1000
425-950
SK-50
500
125
850
300
320-1250
490-1200
N*m
KN
кг
наружного диаметра
mm
мм
Модель
A
B
C
D
E
F
G
H
J
K
L
SK-04
112
58
80
95
24
4.5
3-M8x1.25P
46.5
19
31
8
SK-05
132
60
100
115
32
4.5
3-M8x1.25P
56
22
36
8
SK-06
167
66
130
147
45
5
3-M10x1.5P
67
25
42
10
SK-07
193
76
155
172
58
5
3-M10x1.5P
80
30
46
11
SK-08
203
76
160
176
58
5
3-M10x1.5P
80
30
46
11
SK-09
233
84
190
210
70
5.5
3-M12x1.75P
80
30
12
SK-10
273
86
230
250
89
5.5
3-M12x1.75P
95
36
54
12
SK-12
310
96
260
285
105
7
3-M12x1.75P
110
42
63
14
SK-14
355
122
300
328
127
7
6-M12x1.75P
110
42
63
15
SK-16
405
122
345
375
160
8
6-M14x2P
130
45
75
15
SK-20
500
140
420
458
205
5.5
6-M16x2P
166
50
84
19
SK-25
630
140
545
586
275
6.5
6-M16x2P
210
52
92
19
SKB-25
630
140
545
586
320
6.5
6-M16x2P
210
52
92
19
SK-32
800
159
450
368.3
320
20
6-M24x3P
225
52
132.5
19
SK-40
1000
190
910
950
460
10
6-M24x3P
329
85
137
24
SK-50
1250
195
1000
1100
560
10
6-M30x3.5P
367
85
24
46
237